This website works better with JavaScript.
Explore
Help
Register
Sign In
Filamentstr
/
04_zumbach
Archived
Watch
1
Star
0
Fork
You've already forked 04_zumbach
0
Code
Issues
Pull Requests
Releases
Wiki
Activity
You cannot select more than 25 topics
Topics must start with a letter or number, can include dashes ('-') and can be up to 35 characters long.
This repo is archived. You can view files and clone it, but cannot push or open issues/pull-requests.
0dc7c657cc
master
Branches
Tags
${ item.name }
Create tag
${ searchTerm }
Create branch
${ searchTerm }
from '0dc7c657cc'
${ noResults }
04_zumbach
/
12_m644p_WIZNET_HTTPServer_...
/
WWW
/
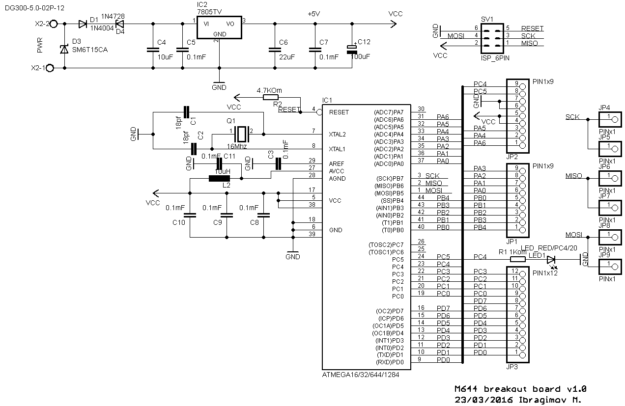
m1284p.png
13 KiB
Raw
History