This website requires JavaScript.
Explore
Help
Register
Sign In
Filamentstr
/
04_zumbach
Archived
Watch
1
Star
0
Fork
0
You've already forked 04_zumbach
Code
Issues
Pull Requests
Releases
Wiki
Activity
This repository has been archived on
2022-10-01
. You can view files and clone it. You cannot open issues or pull requests or push a commit.
Files
7d33aa98549f2d40641682df6ac2f52a7c8f98a6
04_zumbach
/
11_m644p_WIZNET_HTTPServer_FLASH_pages
/
WWW
/
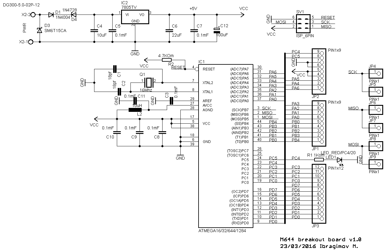
m1284p.png
maxxir_w
4c8449a175
Add [11_m644p_WIZNET_HTTPServer_FLASH_pages] prj
2019-01-18 14:28:29 +04:00
13 KiB
1272x827px
Raw
History
Reference in New Issue
View Git Blame
Copy Permalink