This website requires JavaScript.
Explore
Help
Register
Sign In
Filamentstr
/
05_wickler
Archived
Watch
1
Star
0
Fork
0
You've already forked 05_wickler
Code
Issues
3
Pull Requests
Releases
Wiki
Activity
This repository has been archived on
2023-01-14
. You can view files and clone it. You cannot open issues or pull requests or push a commit.
Files
7e308a82423c447758500c2a4bb9efdb7273d2ab
05_wickler
/
12_m1284p_WIZNET_HTTPServer_SDCARD_pages
/
WWW
/
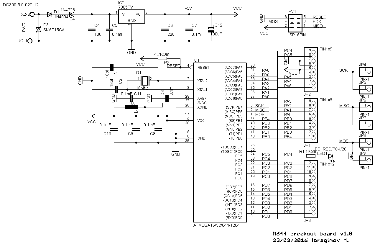
m1284p.png
maxxir_w
aa2ce7afd2
Add [12_m1284p_WIZNET_HTTPServer_SDCARD_pages] prj
2019-01-18 14:35:51 +04:00
13 KiB
1272x827px
Raw
History
Reference in New Issue
View Git Blame
Copy Permalink