You cannot select more than 25 topics
Topics must start with a letter or number, can include dashes ('-') and can be up to 35 characters long.
1014 B
1014 B
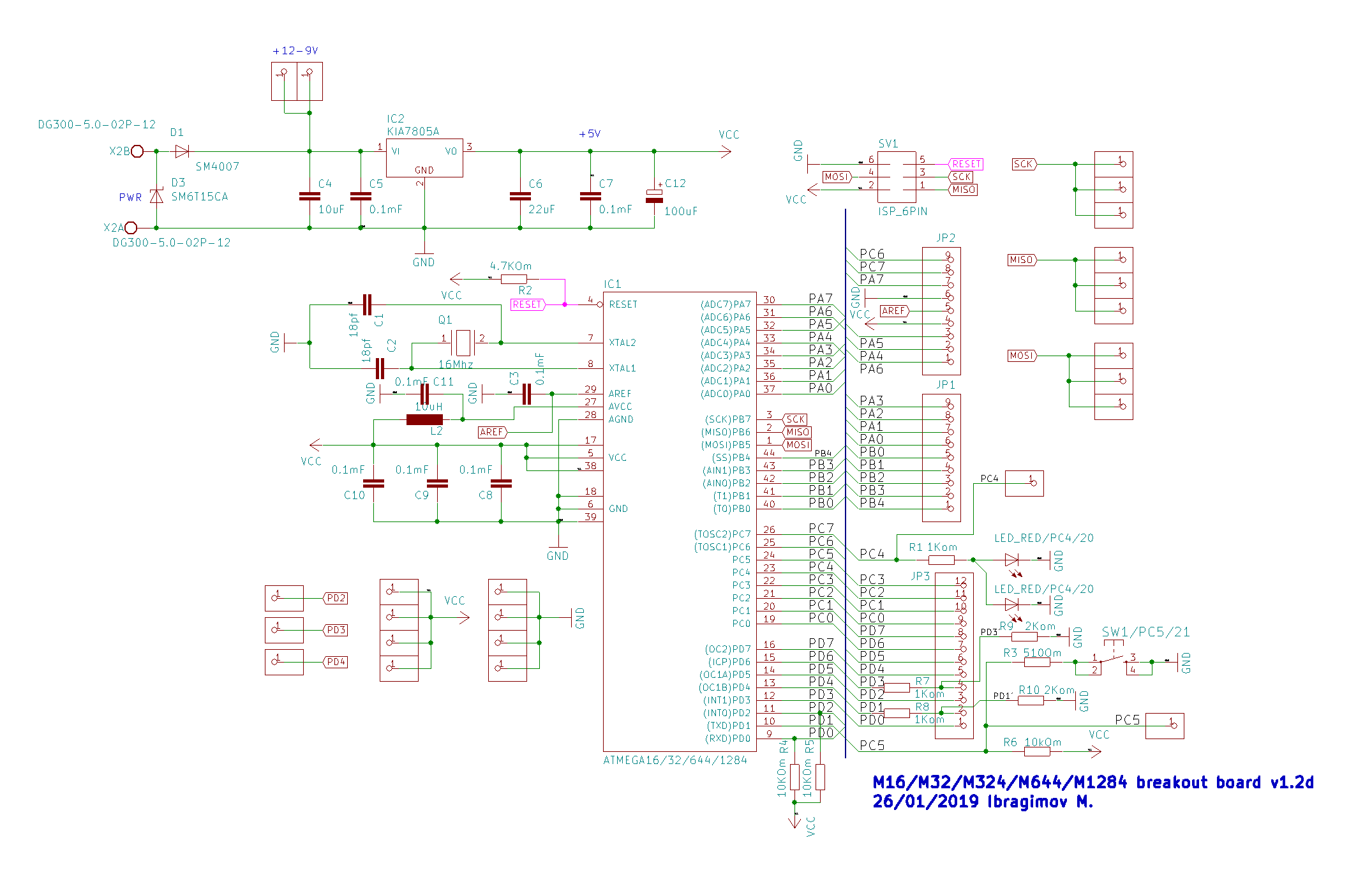
AtMega 8535/16/32/324/644/1284 generic board
Briefly about the features of the scheme:
- Nearly all GPIO pins connected to PLS terminals.
- Two GPIOs are connected: button (SW1 / PC5) and the LED (LED1 / PC4).
- External pull-up on UART RX0 / RX1.
- R-dividers for 3.3V-TTL on UART TX0 / TX1.
- SPI pins for 3 devices connected to (for example): Ethernet (Wiz5500 / ENC28J60), Sd-Card, CAN MCP2515 and so on ...
- Compatible with Arduino Sanguino/Mightycore
Schematic:
This is my own custom board looks like:
Pinmap board (Sanguino notation):
Author
- Ibragimov Maksim aka maxxir 08/04/2019